On this page, I will only talk about how I build my gainclone, and show you my gainclone. I will not discuss on how it works, or how to build it yourself. Please do not try this if you have no professional training.
What interests me is the simplicity of how an amplifier can be. There are very few components, so few that most DIYers don’t even need to use a PCB, but instead do it p2p – point to point soldering. With so few components, an experience person could solder a gainclone within an hour.
There is no need for large caps, in fact the recommended value is only 1000uF, which makes the whole amp very small. Yet even with such few components, it is a very good sounding amp – many people say so.
What really got me starting was when I saw one of Peter Daniels’ gainclone. I can’t believe how beautiful a DIY amp can be.
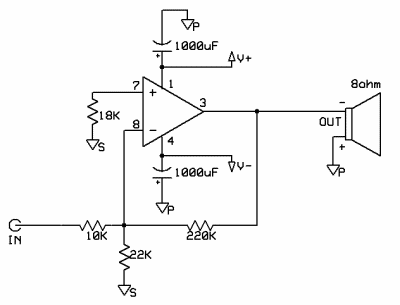
Gainclone Schematic
Soon after, I decided to try out for myself. I did some research and found some schematics.

One can use as little as a bridge rectifier, 2 caps, 2 resistors and an IC for Gainclone Lite. However I did not choose this because there are DC offset at the output, and I don’t like the idea of having the woofer always pushed or pulled.

I got this schematic from somewhere (I forget where) This looks good, but it seems to have a little too many components.

I edited the schematic from the recommendations given by some people at diyAudio. I removed the volume control because the volume will be at the preamp. The output resistor is not needed, and the 1uF decoupling cap is not needed because the 1000uF will be very close to the IC. I risk having no DC blocking cap in the input because most cheaper caps degrade the sound by a lot.
The Casing

I got a casing from my friend for free. The casing is one piece of die-cast aluminum. The aluminum is quite hard that drilling and filing is difficult to work with. The top layer and bottom is separated. I can put two 160va transformer at top side.

The bottom side have 3 compartments. Hmm… maybe I can use 2 for the amp and 1 for the bridge?

I just have to spray it. It originally have tiny white specs of I-dunno-what all over it. I have to sand it off and re-spray to cover whatever I have sanded.
I use a piece of soft plastic to cover the ordinal holes and to hole on to the sockets. In this picture, the plastic is not yet painted. I only test fit to see how well the sockets fit. I sprayed the plastic black in the finished version.
The Power Supply
Time to look at the power supply. A friend of mine offered to sell me a 160va 18-0-18 transformer cheaply. Since I needed a transformer, I grab the offer at once.

I decided to use the Double Bridge Rectifier, as there are lots of compliments on them.

Since I have a lot of MUR860, I decide to have separate power supply for each channel, only splitting the secondaries of the transformer. Ground is separated as well.
The Amp Itself
What is a gainclone without building the amp itself? I chooses LM3875 because it uses the least pins, therefore it is very easy to solder everything up.

As there are very little components, this is all the space I need. Star ground is just able the IC. The feedback resistor is soldered nearest to the IC, just when the leads comes out of the IC. Input resistor is soldered just beside the feedback resistor. The other 2 resistors are there just to maintain the DC output, so it can be soldered a little bit farther away; but as you can see, they are as close as I can get.
I try to get the capacitors as close as possible, thereby the L shaped layout, where the lead near the capacitor just touches the voltage in of the IC. The cables are then wired directly to the pins or the lead of the components, and wired to the socket or diodes.
The Final
I’ll leave you with the pictures of the completed amp.
